产品中心

TK12-TZ系列导轨数控转台

  • 详细介绍

产品特性:  
1、运用卧式加工  
2、工作台既能回转,又能直线运动  
3、能完成大型工件不同角度免得铣削磨削及镗孔  
参数表格:  

 

0911d70e469343960cec93f2becba886eeca36a1


※请用户尽量选用油压,最大使用油压为:推荐值+1Mpa。  
※以上参数以实物为准,如有变动,解释权归本公司。  
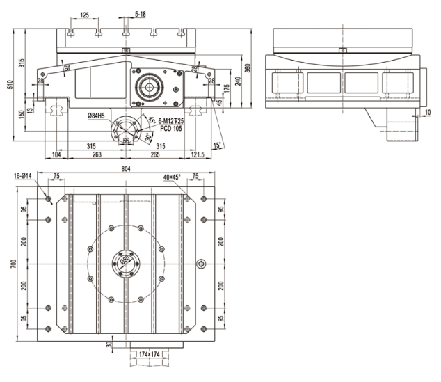
图纸:  
TK12-630×630TZ

c6fc6cec2e08c50bcbc96b7921980dc914b336a0

本文网址 : https://www.chunpinggufen.com/product/183.html
标签 :

Copyright © 山东春平智能设备股份有限公司 All rights reserved

备案号:鲁ICP备2022004384号-1 主要从事于数控转台,数控回转工作台,数控等分转台, 欢迎来电咨询! 服务支持:红旗网络