产品介绍:
回转工作台是指带有可转动的台面、用以装夹工件并实现回转和分度定位的机床附件,简称转台或第四轴。转台按功能的不同可分为通用转台和精密转台两类。是镗床、钻床、铣床和插床等重要附件,用于加工有分度要求的孔、槽和斜面,加工时转动工作台,则可加工圆弧面和圆弧槽等。通用转台按结构不同又分为水平转台、立卧转台和转台。
产品特性:
1、立卧两用设计
2、四轴连动加工,单轴独立控制
2、最小分度角度0.001°分度
参数表格:


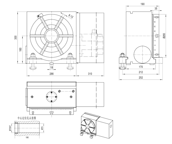
图纸:
TK13-255EL

TK13-630EL
