产品介绍:
数控回转工作台是数控铣床常用部件,常作为数控铣床的一个伺服轴,即立式数控铣床的C轴和卧式数控铣床的B轴。数控回转工作台适用于板类和箱体类工件的连续回转加工和多面加工,由数控系统控制。
卧式数控回转工作台的结构有两个相互垂直的定位面,而且装有定位键22,可方便地进行立式或卧式安装。工件可由主轴孔6定心,也可装夹在工作台4的T形槽内。工作台可以完成任意角度分度和连续回转进给运动。工作台的回转由直流伺服电动机17驱动,其尾部装有检测用编码器(1000脉冲信号/转),可实现半闭环控制。
产品特性:
1、运用卧式加工
2、采用油压锁紧系统,油压锁紧力
3、大分度角度0.001°分度
参数表格:

图纸:
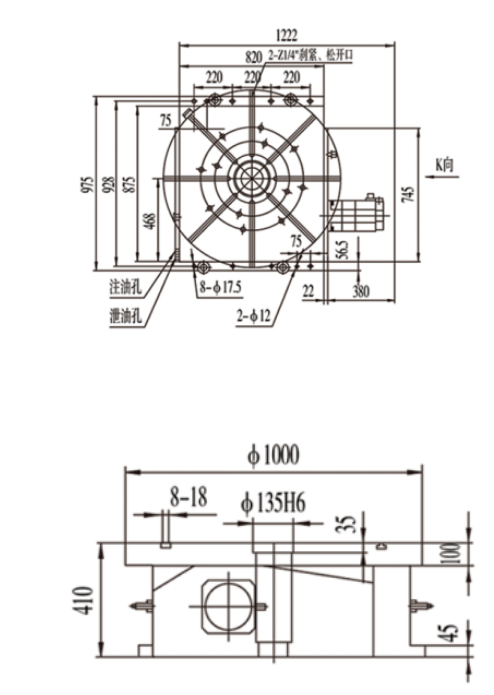
TK12-1000A

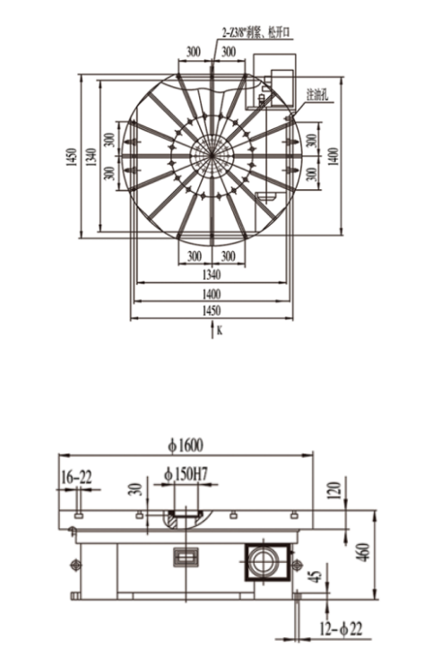
TK12-1600C

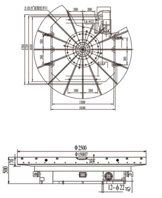
TK12-2500A
