产品中心

TS-A系列 回转工作台

  • 详细介绍

产品介绍:  
TS—A系列回转工作台(平转台)是铣床的主要附近之一,可用在铣床上进行分度钻孔或铣削、圆周切削、圆周曲面加工、平面及部分线段的直线加工等工作。  
每个规格的转台分别提供连接不同卡盘的法兰盘,作为特殊订货,并将法兰盘独立包装。另外,为特殊订货所提供的分度盘附件可实现由2至66间所有整数和由67到132间能被2,3,5整除的所有整数的分度。  
参数表格:  

 

eb9086f5ebc6ccb9e5e133314965f0804a802fa8


※以上参数以实物为准,如有变动,解释权归本公司。  
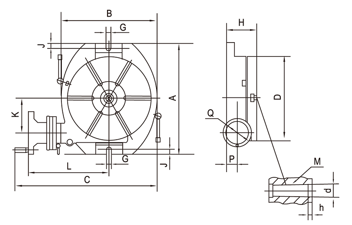
图纸:

 

5b90fccb9cfeb8e4b5d1fefd9728c4d2adcd936f

本文网址 : https://www.chunpinggufen.com/product/172.html
标签 :

Copyright © 山东春平智能设备股份有限公司 All rights reserved

备案号:鲁ICP备2022004384号-1 主要从事于数控转台,数控回转工作台,数控等分转台, 欢迎来电咨询! 服务支持:红旗网络