产品中心

TK15系列手动可倾式转台

  • 详细介绍

产品介绍:  
TK15系列手动可倾数控回转主要用于加工中心和数控镗铣床上,作为主机第四回转轴,完成工件上的任意角度的孔、槽、平面以及曲线、凸轮等要素的加工,并可达到较高的精度。工作台可以手动倾斜与水平面呈0〜90度内的任意角度。  
产品特性:  
1、运用卧式加工  
2、手动倾斜式CNC分度盘  
3、最小分度角度1°  
参数表格:  

 

f9b9a7e93f8a28fca1910ec77446fa5a71399ccf


图纸:  
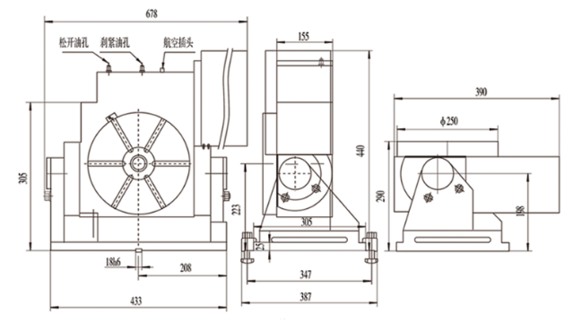
TK15-250A  

87eb0eacd947e4246a0ef3faca95997a342a8cab


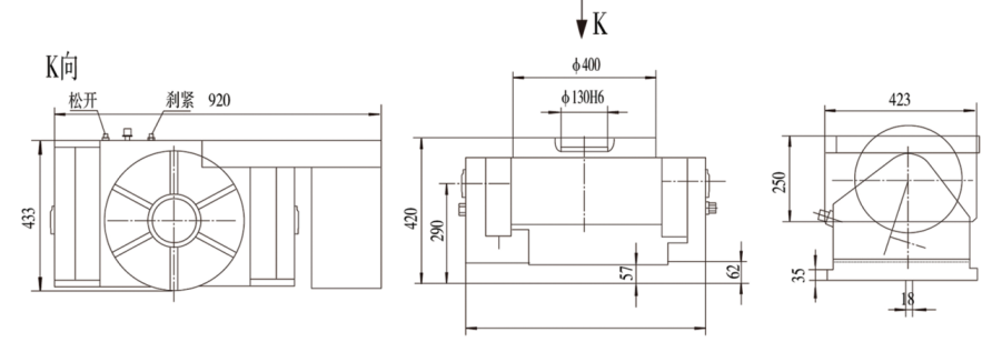
TK15-400A  

ffabf9ed79d1ae0276033cdda992de8546e48a6d


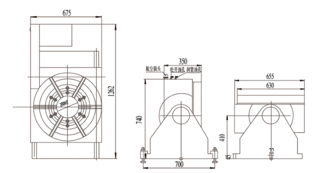
TK15-630A  

89ba873eefde7762cda5f3ddb76cce5d5d762412

本文网址 : https://www.chunpinggufen.com/product/179.html
标签 :

Copyright © 山东春平智能设备股份有限公司 All rights reserved

备案号:鲁ICP备2022004384号-1 主要从事于数控转台,数控回转工作台,数控等分转台, 欢迎来电咨询! 服务支持:红旗网络