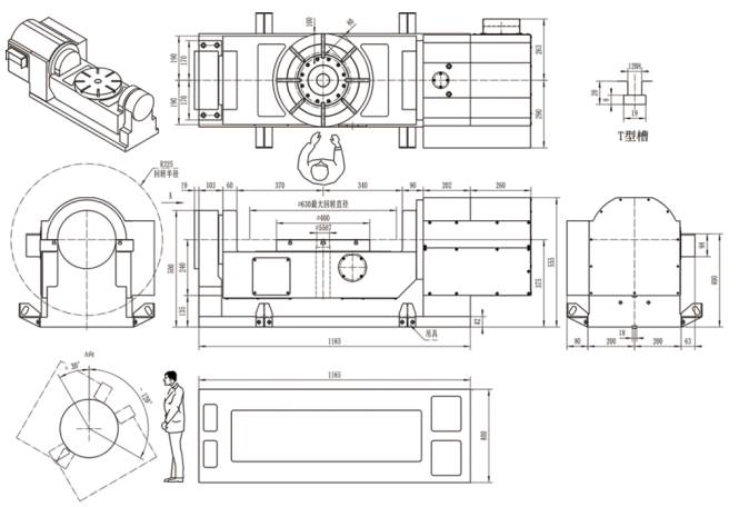
产品介绍:
TK14系列数控可倾回转工作台主要用于数控机床加工中心机床上,可利用原机床的两个控制坐标控制转台的回转和倾斜,也可直接利用本转台配套的数控装置与机床联接完成所需的工作循环。它可以完成任意角度的孔、槽、平面类机械加工,以及曲线、凸轮等的加工,并可达到较高的精度。另外也可用于非数控钻、铣、镗类机床上,独立完成等分和不等分的角度分度工作。
产品特性:
1、运用卧式加工
2、摇篮式
3、最小分度角度0.001°分度
参数表格:

※请用户尽量选用油压,最大使用油压为:推荐值+1Mpa。
※以上参数以实物为准,如有变动,解释权归本公司。
图纸:
TK14-400YL
